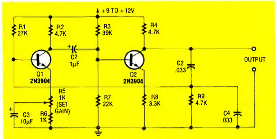
Este oscilador de puente de Viena genera una señal sinusoidal cuya frecuencia depende básicamente de C2 y C4. El circuito es de Electronics Now de diciembre de 1993.
En muchos montajes descritos en este sitio de web y en nuestras otras publicaciones hacemos uso de...
El principio de funcionamiento de este circuito es el mismo que el de un cargador convencional de...
Si bien las transmisiones en AM tienden a desaparecer, así como los receptores, un viejo radito...