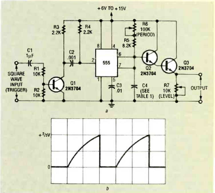
Esta interesante aplicación en un circuito que permite la sincronización se publicó en la edición de diciembre de 1992 de la revista Radio Electronics. Las temperaturas del capacitor se pueden adaptar a las necesidades de frecuencia.
En muchos montajes descritos en este sitio de web y en nuestras otras publicaciones hacemos uso de...
El principio de funcionamiento de este circuito es el mismo que el de un cargador convencional de...
Si bien las transmisiones en AM tienden a desaparecer, así como los receptores, un viejo radito...