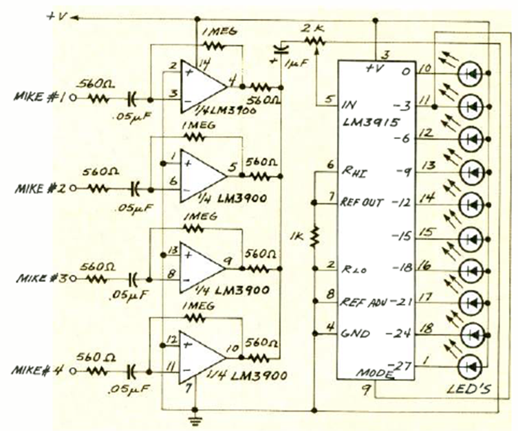
Este circuito para múltiples entradas de sonido fue encontrado en una Radio Electrónica de enero de 1992. Consiste en un Bargraph conectado a un mezclador multientrada.
En el circuito de la figura tenemos una aplicación de un transistor como oscilador. Para ello,...
La acción rápida de conmutación del 4093 ayuda a obtener un circuito de interruptor nocturno que no se...
La frecuencia de este oscilador depende de los capacitores y valores típicos para los resistores son...