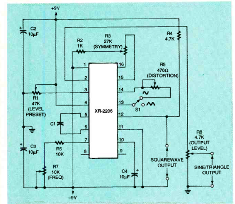
Este circuito con fuente de alimentación simétrica genera señales sinusoidales, triangulares y rectangulares. Lo encontramos en la revista Electronics Now de enero de 1996. La frecuencia sube hasta unos pocos megahertz.
En el circuito de la figura tenemos una aplicación de un transistor como oscilador. Para ello,...
La acción rápida de conmutación del 4093 ayuda a obtener un circuito de interruptor nocturno que no se...
La frecuencia de este oscilador depende de los capacitores y valores típicos para los resistores son...