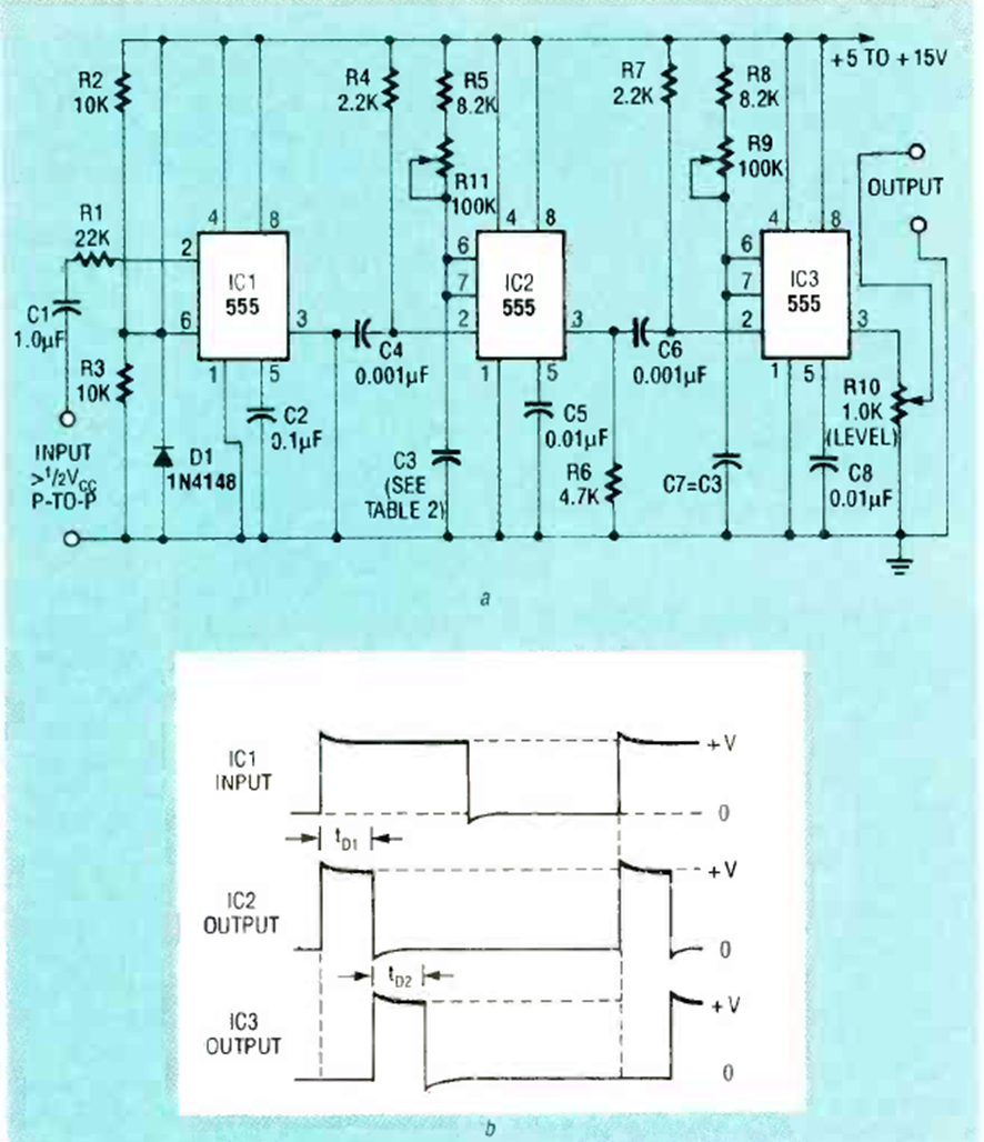
Encontrado en un artículo de la revista Radio Electronics de septiembre de 1992, este circuito genera un pulso como se indica en el gráfico debajo del diagrama. Los tiempos se pueden cambiar cambiando C3 y C7.
Este circuito opera a una tensión de 1.3 V desde una sola celda de mercurio. Encontramos en una...
Este circuito de los 80 decodifica las señales estéreo utilizadas en la televisión analógica en ese...
Encontramos este circuito en una publicación de 1987. Su finalidad es producir un sonido semejante...