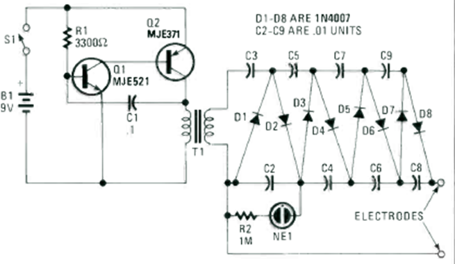
Esta defensa electrónica fue encontrada en el número especial de 1990 de la revista Radio Electronics Experimenter. Genera una tensión de unos pocos cientos de volts.
En el circuito de la figura tenemos una aplicación de un transistor como oscilador. Para ello,...
La acción rápida de conmutación del 4093 ayuda a obtener un circuito de interruptor nocturno que no se...
La frecuencia de este oscilador depende de los capacitores y valores típicos para los resistores son...