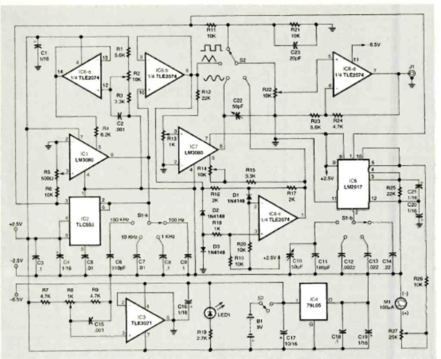
Este circuito fue encontrado en la revista Electronics Now de agosto de 1997. El circuito utiliza sistemas operativos conocidos y genera señales de hasta 20 kHz.
En el circuito de la figura tenemos una aplicación de un transistor como oscilador. Para ello,...
La acción rápida de conmutación del 4093 ayuda a obtener un circuito de interruptor nocturno que no se...
La frecuencia de este oscilador depende de los capacitores y valores típicos para los resistores son...