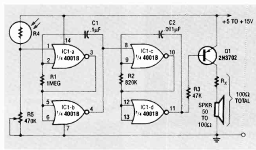
Este circuito de alarma se encontró en la edición de julio de 1992 de la revista Radio Electronics. El circuito utiliza una pequeña etapa de potencia para el altavoz y tiene un ajuste de sensibilidad en R5.
La finalidad del circuito mostrado en la figura 1 es simular un tiristor, con el disparo por la...
El circuito presentado puede ser intercalado entre una antena de AM para ondas medias y cortas e...
Es un montaje ultra simple que usted puede hacer con componentes de chatarra. Se trata de un...