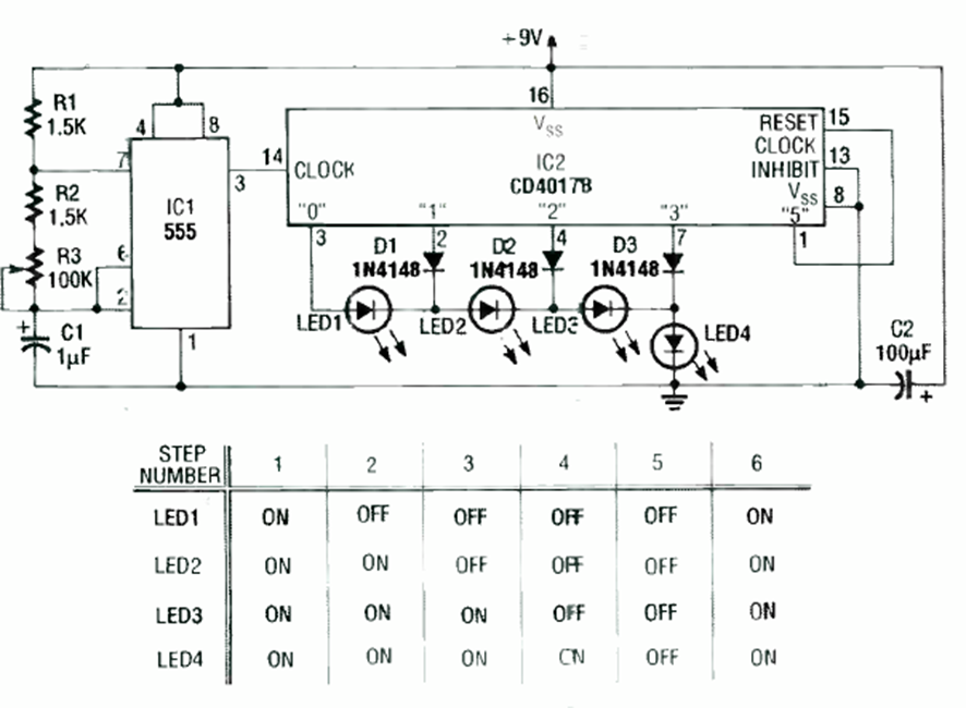
Este circuito tiene los efectos indicados en la tabla al lado del diagrama. Lo encontramos en la revista Radio Electronics de febrero de 1992. El circuito tiene su velocidad dependiente de C1 y ajustada en R3.
La finalidad del circuito mostrado en la figura 1 es simular un tiristor, con el disparo por la...
El circuito presentado puede ser intercalado entre una antena de AM para ondas medias y cortas e...
Es un montaje ultra simple que usted puede hacer con componentes de chatarra. Se trata de un...