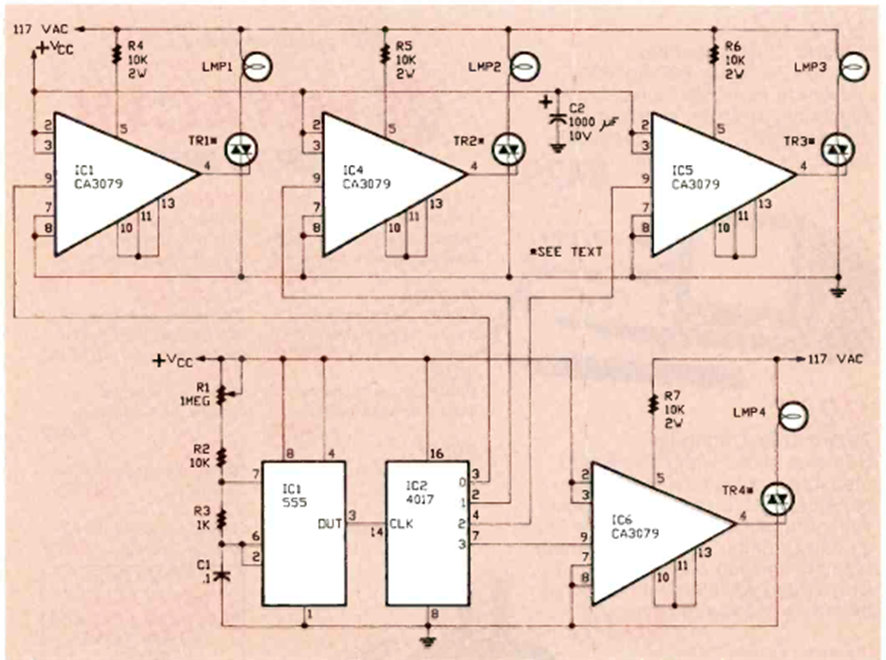
Encontramos este circuito en la revista Radio Electronics de febrero de 1987. Se basa en un disparador triac RCA integrado disponible en ese momento. El circuito alimenta 4 lámparas incandescentes.
La finalidad del circuito mostrado en la figura 1 es simular un tiristor, con el disparo por la...
El circuito presentado puede ser intercalado entre una antena de AM para ondas medias y cortas e...
Es un montaje ultra simple que usted puede hacer con componentes de chatarra. Se trata de un...