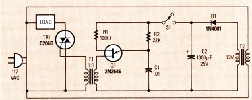
Este circuito es uno de los muchos de su tipo que se pueden encontrar en este sitio. Esto es de Radio Electronics de septiembre de 1987. El triac debe controlarse según la carga.
La finalidad del circuito mostrado en la figura 1 es simular un tiristor, con el disparo por la...
El circuito presentado puede ser intercalado entre una antena de AM para ondas medias y cortas e...
Es un montaje ultra simple que usted puede hacer con componentes de chatarra. Se trata de un...