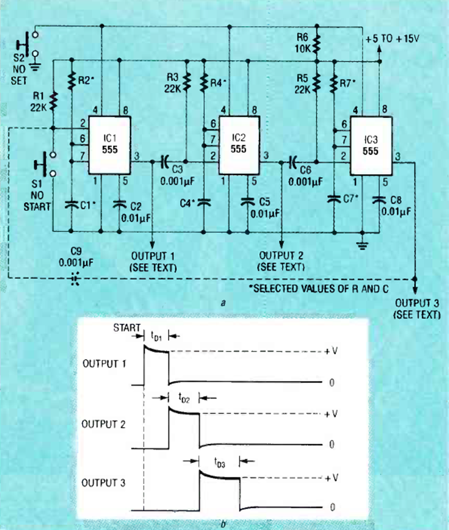
Este interesante circuito que genera pulsos retardados se encontró en la revista Radio Electronics de septiembre de 1992. Los tiempos se pueden modificar seleccionando los valores adecuados de C1, C4 y C7.
La finalidad del circuito mostrado en la figura 1 es simular un tiristor, con el disparo por la...
El circuito presentado puede ser intercalado entre una antena de AM para ondas medias y cortas e...
Es un montaje ultra simple que usted puede hacer con componentes de chatarra. Se trata de un...