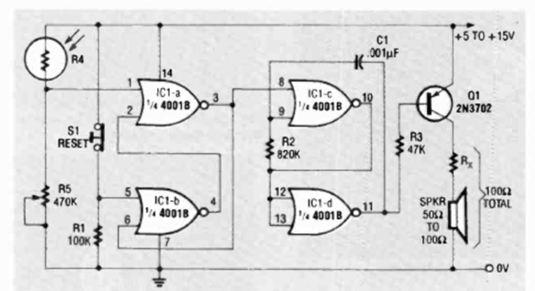
Esta alarma integrada CMOS se encontró en la revista Radio Electronics de julio de 1992. El circuito tiene una pequeña etapa de potencia y su sensibilidad se ajusta en R5.
La finalidad del circuito mostrado en la figura 1 es simular un tiristor, con el disparo por la...
El circuito presentado puede ser intercalado entre una antena de AM para ondas medias y cortas e...
Es un montaje ultra simple que usted puede hacer con componentes de chatarra. Se trata de un...