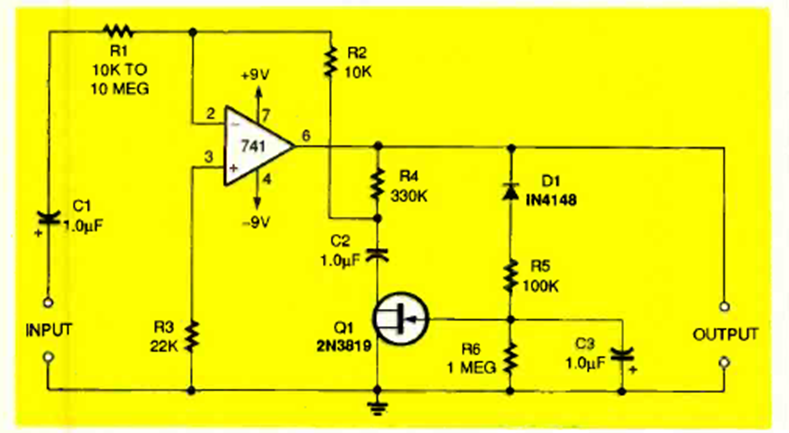
Este circuito fue encontrado en la revista Electronics Now de marzo de 1995. El circuito requiere una fuente simétrica y el FET es un tipo común de propósito general.
La finalidad del circuito mostrado en la figura 1 es simular un tiristor, con el disparo por la...
El circuito presentado puede ser intercalado entre una antena de AM para ondas medias y cortas e...
Es un montaje ultra simple que usted puede hacer con componentes de chatarra. Se trata de un...