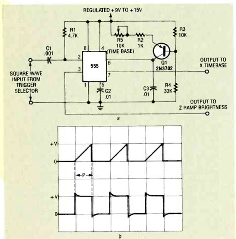
Este circuito que genera una señal de diente de sierra lineal se puede utilizar en un osciloscopio de rango de frecuencia. El circuito fue encontrado en la edición de diciembre de 1992 de la revista Radio Electronics.
La finalidad del circuito mostrado en la figura 1 es simular un tiristor, con el disparo por la...
El circuito presentado puede ser intercalado entre una antena de AM para ondas medias y cortas e...
Es un montaje ultra simple que usted puede hacer con componentes de chatarra. Se trata de un...