Este circuito se encontró en la edición de julio de 1992 de la revista Radio Electronics. El circuito de salida debe estar equipado con un disipador de calor.
Este receptor con diodo detector de germanio para el rango de onda media y corta se encontró en...
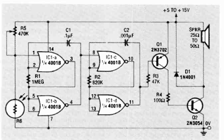
Acoplado a un timbre, este circuito del año 2000 proporciona una indicación para la atención, si la...
Este circuito se encontró en una documentación en inglés de 1989. Los transistores admiten...