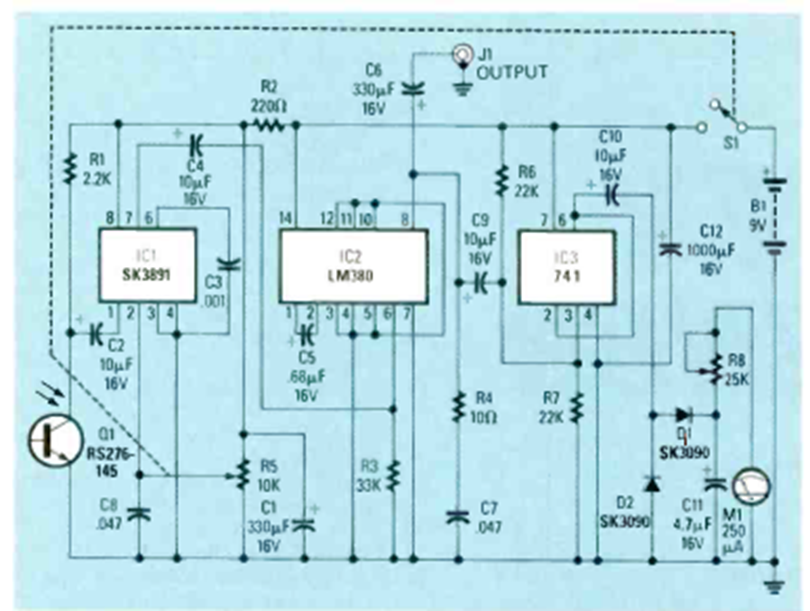
Este circuito recibe las señales moduladas reflejadas por un láser en el cristal de una ventana, permitiendo escuchar conversaciones. El circuito es de un proyecto de la revista Radio Electronics de octubre de 1987.
El circuito presentado consiste en un sistema de sensores NA y NF para alarmas. La salida debe...
Este circuito recibe las señales moduladas reflejadas por un láser en el cristal de una ventana,...
Encontramos este circuito en la documentación de Analog Devices de los años 90. El circuito se...