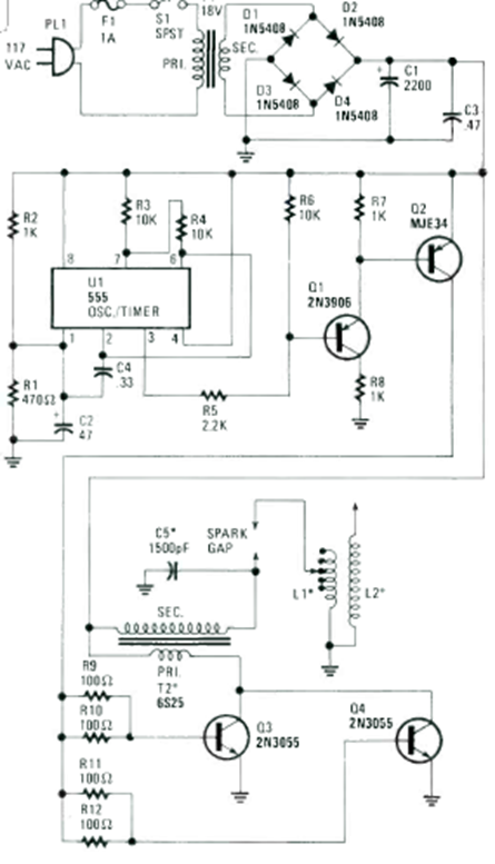
Esta bobina, que genera voltajes de algunas decenas de miles de volts, fue descubierta en el número especial de 1990 de la revista Radio Electronics Experimenter.

Esta bobina, que genera voltajes de algunas decenas de miles de volts, fue descubierta en el número especial de 1990 de la revista Radio Electronics Experimenter.
