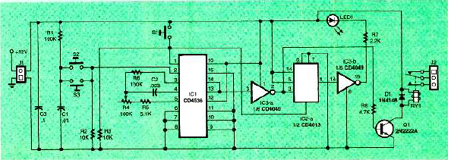
Este circuito fue encontrado en un artículo de la revista Electronics Now de junio de 1998. El sensor consiste en una alarma de péndulo en la que un objeto metálico puede vibrar con el terremoto al tocar un aro que lo rodea.
En la figura tenemos la forma de asociar flip-flops en un registro de desplazamiento para obtener una...
La resistencia presentada entre los terminales R de este circuito depende de la programación...
El sentido de rotación del motor M puede ser controlado por un Arduino u otro microcontrolador a través de este...