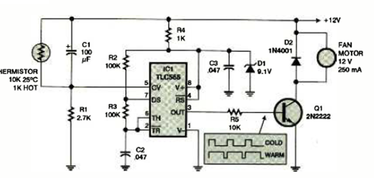
Encontrado en la revista Electronics Now de febrero de 1997, este circuito controla motores según el transistor utilizado. Para el transistor indicado, la corriente máxima es de 200 mA.
En la figura tenemos la forma de asociar flip-flops en un registro de desplazamiento para obtener una...
La resistencia presentada entre los terminales R de este circuito depende de la programación...
El sentido de rotación del motor M puede ser controlado por un Arduino u otro microcontrolador a través de este...