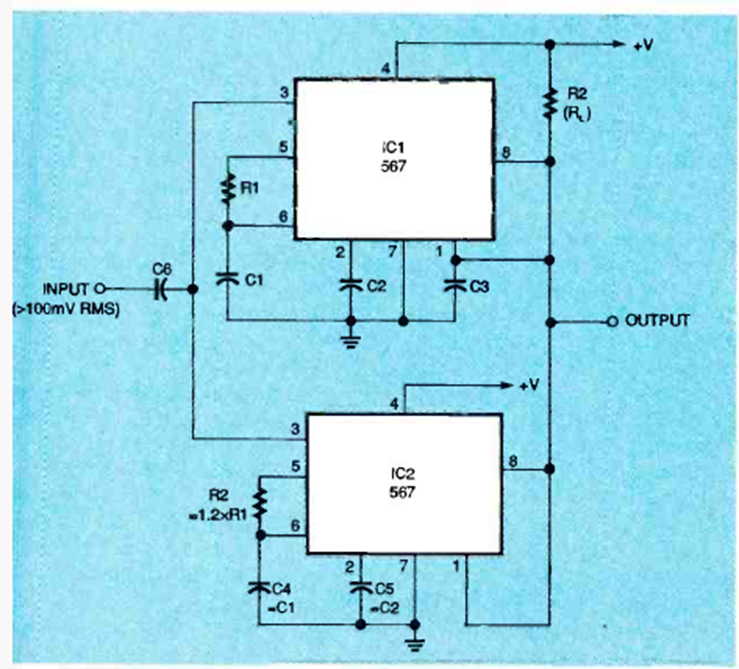
Este decodificador de dos tonos tiene un ancho de banda del 24%. El circuito es de un Electronics Now de 1994. Los componentes sin valor determinan la frecuencia reconocida.
En la figura tenemos la forma de asociar flip-flops en un registro de desplazamiento para obtener una...
La resistencia presentada entre los terminales R de este circuito depende de la programación...
El sentido de rotación del motor M puede ser controlado por un Arduino u otro microcontrolador a través de este...