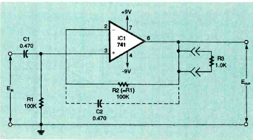
Este circuito fue encontrado en la revista Electronics Now de enero de 1995. Su configuración es válida para otros operacionales. La fuente debe ser simétrica.
En la figura tenemos la forma de asociar flip-flops en un registro de desplazamiento para obtener una...
La resistencia presentada entre los terminales R de este circuito depende de la programación...
El sentido de rotación del motor M puede ser controlado por un Arduino u otro microcontrolador a través de este...