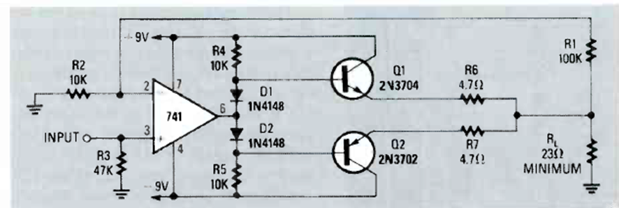
Este amplificador de audio con transistores de uso general en la salida fue encontrado en la revista Radio Electronics de marzo de 1990. La fuente de alimentación debe ser simétrica.
Se pueden obtener corrientes de unas pocas decenas de miliamperes con esta fuente simple que hace...
En la figura tenemos un circuito informático analógico publicado en la revista Radio Electronics de junio...
Este útil circuito sirve para probar el aislamiento de cables, electrodomésticos, fugas en...