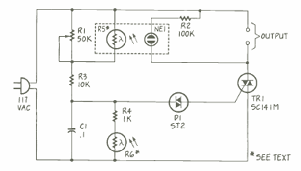
Este circuito controla una luz externa, encendiéndola al anochecer y apagándola por la mañana. El circuito es de una Radio Electronics de octubre de 1987.

Este circuito controla una luz externa, encendiéndola al anochecer y apagándola por la mañana. El circuito es de una Radio Electronics de octubre de 1987.
