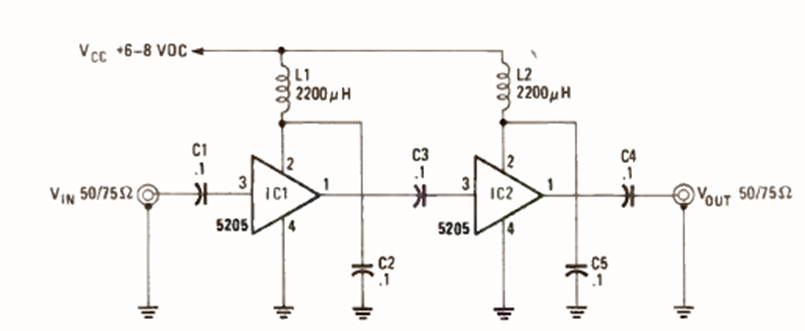
Utilizando el circuito integrado NE5205, este circuito fue encontrado en la revista Radio Electronics de mayo de 1987. Puede amplificar señales de hasta 450 MHz.
Este circuito se obtuvo de la documentación anterior y tiene una configuración muy simple de 6 o...
Este circuito está conectado a la entrada de amplificadores y otros equipos de sonido que no...
El componente crítico de este proyecto de una publicación de 1988 es el transformador. La potencia...