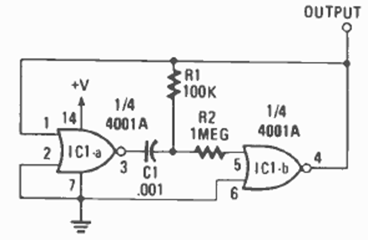
Este oscilador se encontró en la revista Radio Electronics de enero de 1987. La frecuencia viene dada por C1 y la salida tiene buena simetría. La fuente de alimentación suele oscilar entre 3 y 12 V.
Este circuito se obtuvo de la documentación anterior y tiene una configuración muy simple de 6 o...
Este circuito está conectado a la entrada de amplificadores y otros equipos de sonido que no...
El componente crítico de este proyecto de una publicación de 1988 es el transformador. La potencia...