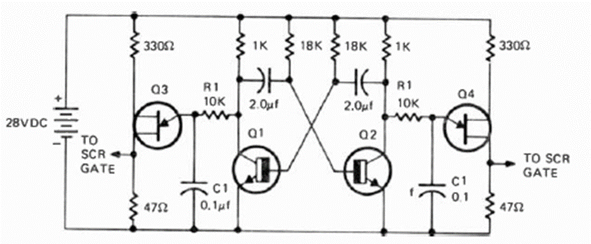
Este circuito que es un multivibrador astable fue encontrado en la revista Radio Electronics en marzo de 1973. Su propósito es disparar SCR, siendo alimentado por un voltaje de 28 V. Los transistores son de propósito general.
Este circuito se obtuvo de la documentación anterior y tiene una configuración muy simple de 6 o...
Este circuito está conectado a la entrada de amplificadores y otros equipos de sonido que no...
El componente crítico de este proyecto de una publicación de 1988 es el transformador. La potencia...