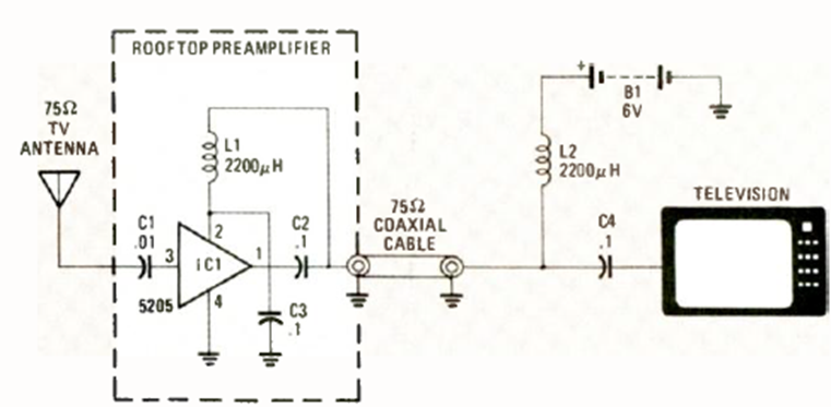
Este circuito que también sirve para amplificar señales de FM desde una antena externa fue encontrado en la revista Radio Electronics de mayo de 1987. Tenga en cuenta que el circuito se alimenta del propio cable de acometida.
Este circuito se obtuvo de la documentación anterior y tiene una configuración muy simple de 6 o...
Este circuito está conectado a la entrada de amplificadores y otros equipos de sonido que no...
El componente crítico de este proyecto de una publicación de 1988 es el transformador. La potencia...