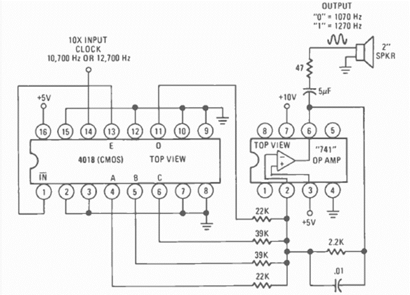
Este generador CMOS con el 4018 se encontró en la revista Radio Electronics de noviembre de 1976. Utiliza un 741 op como amplificador de audio.
Este circuito se obtuvo de la documentación anterior y tiene una configuración muy simple de 6 o...
Este circuito está conectado a la entrada de amplificadores y otros equipos de sonido que no...
El componente crítico de este proyecto de una publicación de 1988 es el transformador. La potencia...