Este circuito generador de impulsos de disparo de transistor unijuntura se encontró en la revista Radio Electronics de marzo de 1973. Los valores típicos para Re CT son 100k y 220 nF.
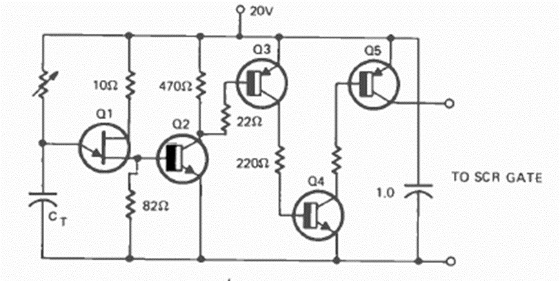
Este circuito se encontró en documentación de General Electric de los años 90. El circuito utiliza un...
El circuito presentado opera en el rango de 10 Hz a 1 MHz, basta con elegir C1 de valor apropiado....
Este circuito fue encontrado en una documentación de Raytheon de 1957. El circuito se puede montar con...