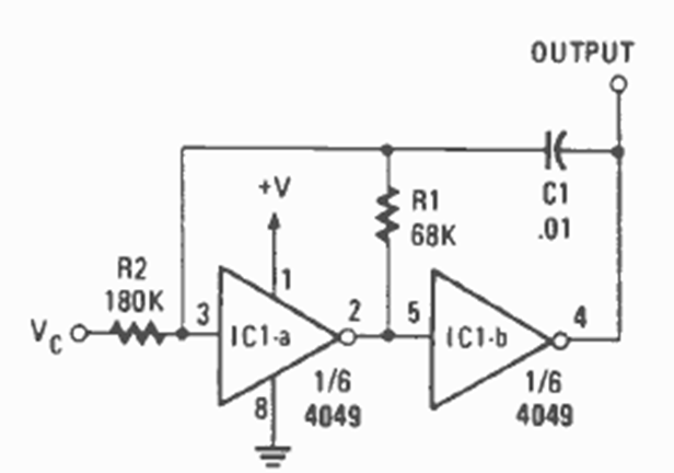
Este oscilador controlado por voltaje es una de las muchas versiones que se pueden encontrar en este sitio. El circuito tiene una frecuencia determinada por C1. La alimentación es de entre 3 y 12 V.

Este oscilador controlado por voltaje es una de las muchas versiones que se pueden encontrar en este sitio. El circuito tiene una frecuencia determinada por C1. La alimentación es de entre 3 y 12 V.
