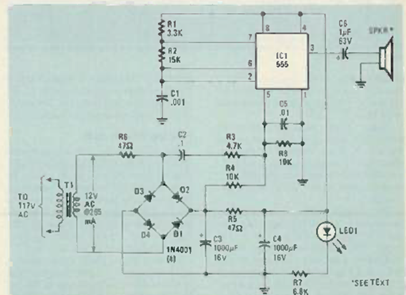
Este circuito incluye el suministro de energía desde la red eléctrica. Lo encontramos en Radio Electronics en julio de 1985. Todavía hoy se puede montar fácilmente.
Este circuito se encontró en documentación de General Electric de los años 90. El circuito utiliza un...
El circuito presentado opera en el rango de 10 Hz a 1 MHz, basta con elegir C1 de valor apropiado....
Este circuito fue encontrado en una documentación de Raytheon de 1957. El circuito se puede montar con...