Encontrado en la edición de abril de 1978 de la revista Radio Electronics, este circuito debe ser alimentado por una fuente simétrica de 15 V. Las señales son de baja intensidad.
Este circuito se encontró en documentación de General Electric de los años 90. El circuito utiliza un...
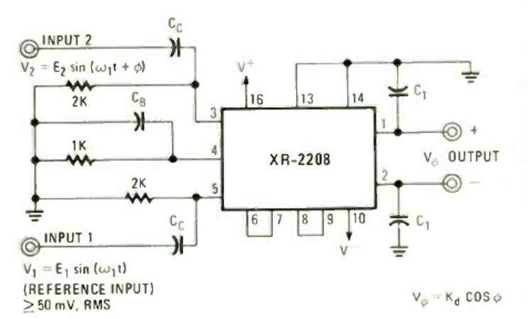
El circuito presentado opera en el rango de 10 Hz a 1 MHz, basta con elegir C1 de valor apropiado....
Este circuito fue encontrado en una documentación de Raytheon de 1957. El circuito se puede montar con...