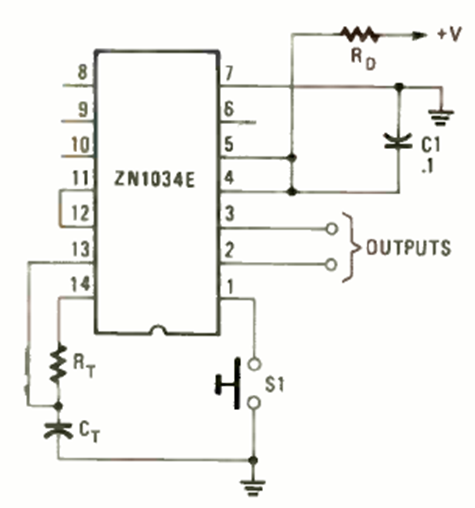
Este temporizador, utilizando el ZN1034E 'de una revista de Radio Electronics de mayo de 1987. El circuito puede proporcionar intervalos de hasta 19 días, desde un RC con una constante de tiempo de 220 segundos.

Este temporizador, utilizando el ZN1034E 'de una revista de Radio Electronics de mayo de 1987. El circuito puede proporcionar intervalos de hasta 19 días, desde un RC con una constante de tiempo de 220 segundos.
