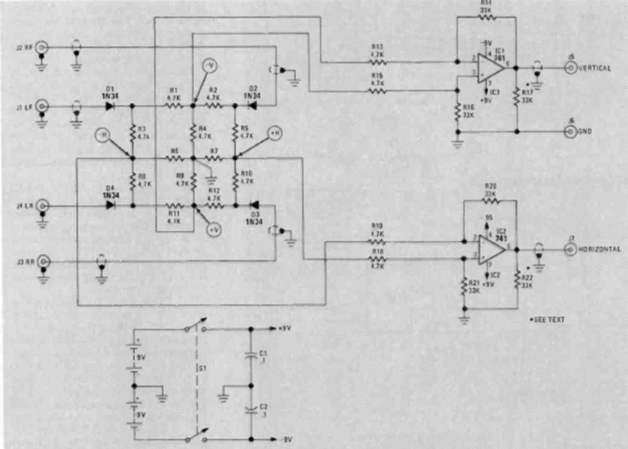
Este circuito multiplexor de señal para los primeros osciloscopios de baja frecuencia se encontró en la revista Radio Electronics de mayo de 1977. El circuito requiere una fuente simétrica.
Este circuito se encontró en documentación de General Electric de los años 90. El circuito utiliza un...
El circuito presentado opera en el rango de 10 Hz a 1 MHz, basta con elegir C1 de valor apropiado....
Este circuito fue encontrado en una documentación de Raytheon de 1957. El circuito se puede montar con...