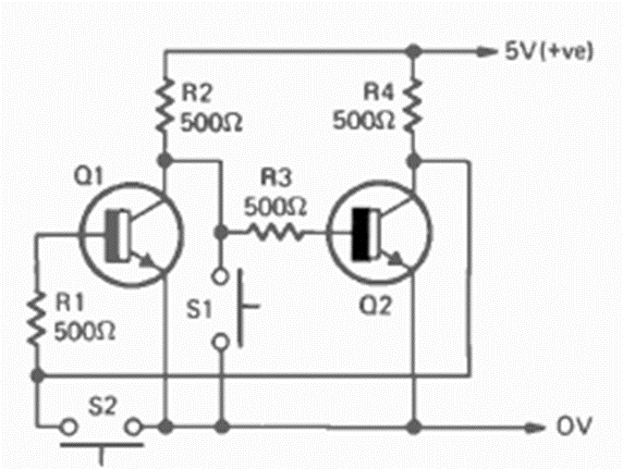
Este circuito se encontró en la revista Radio Electronics de septiembre de 1974. El circuito utiliza transistores de propósito general y puede usarse para activación CMOS.

Este circuito se encontró en la revista Radio Electronics de septiembre de 1974. El circuito utiliza transistores de propósito general y puede usarse para activación CMOS.
