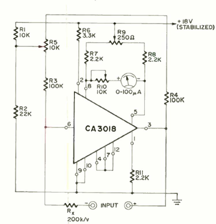
Encontramos este amplificador de tensión sensible de alta impedancia de entrada en la revista Radio Electronics de noviembre de 1970. El circuito se alimenta con una tensión de 18 V.
Este circuito se encontró en documentación de General Electric de los años 90. El circuito utiliza un...
El circuito presentado opera en el rango de 10 Hz a 1 MHz, basta con elegir C1 de valor apropiado....
Este circuito fue encontrado en una documentación de Raytheon de 1957. El circuito se puede montar con...