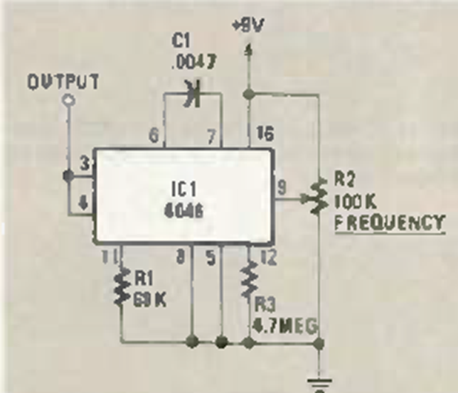
Este circuito fue encontrado en la revista Radio Electronics de noviembre de 1984. La frecuencia está dada por C1 que se puede cambiar a otras bandas.
Se pueden obtener corrientes de unas pocas decenas de miliamperes con esta fuente simple que hace...
En la figura tenemos un circuito informático analógico publicado en la revista Radio Electronics de junio...
Este útil circuito sirve para probar el aislamiento de cables, electrodomésticos, fugas en...