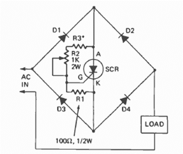
Este circuito fue encontrado en la revista Radio Electronics de enero de 1975. Los diodos tienen corriente según la carga controlada, al igual que el SCR.

Este circuito fue encontrado en la revista Radio Electronics de enero de 1975. Los diodos tienen corriente según la carga controlada, al igual que el SCR.
