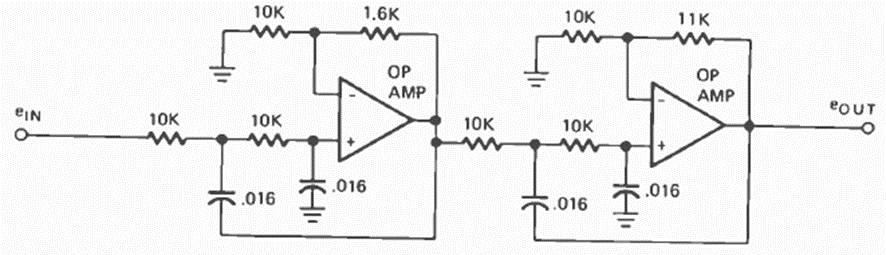
Este circuito con una atenuación de 24 dB por octava se encontró en la revista Radio Electronics de noviembre de 1973. Los componentes son para 1 kHz, pero se pueden recalcular para otras frecuencias.
Este circuito genera una señal de pequeña potencia en el rango superior de la gama de VHF. La...
Ya hemos descrito en nuestro sitio y en nuestras publicaciones diversas versiones del juego del...
La acción rápida de conmutación del 4093 ayuda a obtener un circuito de interruptor nocturno que no se...