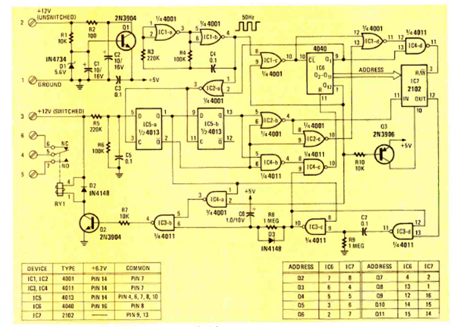
Este sofisticado circuito fue encontrado en la revista Radio Electronics de noviembre de 1978. Basado en lógica CMOS, tiene varios tipos de temporización, controlando el relé del limpiaparabrisas.
Este circuito genera una señal de pequeña potencia en el rango superior de la gama de VHF. La...
Ya hemos descrito en nuestro sitio y en nuestras publicaciones diversas versiones del juego del...
La acción rápida de conmutación del 4093 ayuda a obtener un circuito de interruptor nocturno que no se...