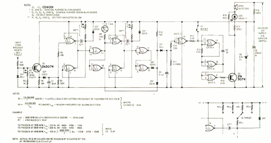
Encontramos este circuito en una Radio Electrónica de octubre de 1976. Los componentes siguen siendo comunes, pero el circuito se aplica a modelos de automóviles antiguos con encendido mecánico.
El circuito presentado en la figura 1 posibilita el control de motores de corriente continua de varios...
El principio de funcionamiento de este circuito es el mismo que el de un cargador convencional de...
Este oscilador TTL utiliza un resonador cerámico como elemento de fijación de la frecuencia. El...