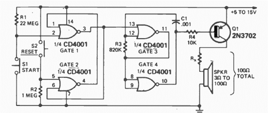
Este circuito de alarma se activa cuando se abre S1. El circuito de una revista Radio Electronics de enero de 1975 se puede utilizar con sensores de interrupción conectados en serie.
El circuito presentado en la figura 1 posibilita el control de motores de corriente continua de varios...
El principio de funcionamiento de este circuito es el mismo que el de un cargador convencional de...
Este oscilador TTL utiliza un resonador cerámico como elemento de fijación de la frecuencia. El...