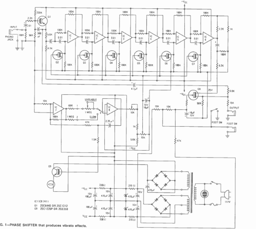
El propósito de este circuito que se encuentra en la revista Radio Electronics de septiembre de 1977 es producir el efecto vibrato. Es un circuito de cambio de fase que funciona con operativa común.
Este circuito genera una señal de pequeña potencia en el rango superior de la gama de VHF. La...
Ya hemos descrito en nuestro sitio y en nuestras publicaciones diversas versiones del juego del...
La acción rápida de conmutación del 4093 ayuda a obtener un circuito de interruptor nocturno que no se...