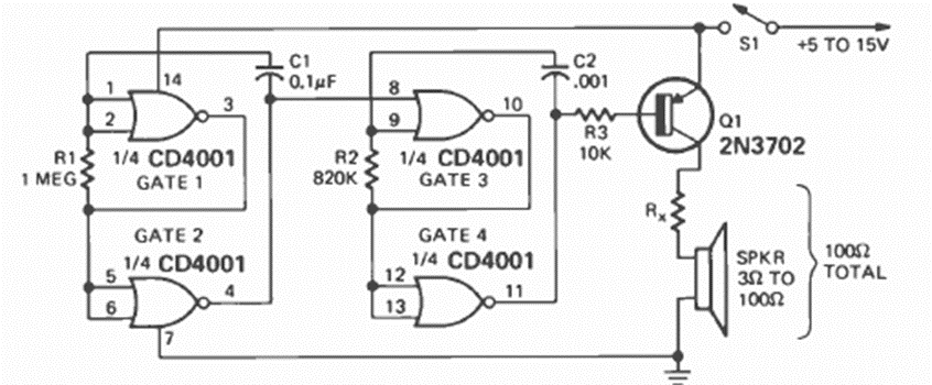
Esta sirena modulada se encontró en la revista Radio Electronics de diciembre de 1974. Se puede utilizar una etapa de salida de mayor potencia como el circuito anterior. La frecuencia y el efecto vienen dados por C1 y C2.
El circuito presentado en la figura 1 posibilita el control de motores de corriente continua de varios...
El principio de funcionamiento de este circuito es el mismo que el de un cargador convencional de...
Este oscilador TTL utiliza un resonador cerámico como elemento de fijación de la frecuencia. El...