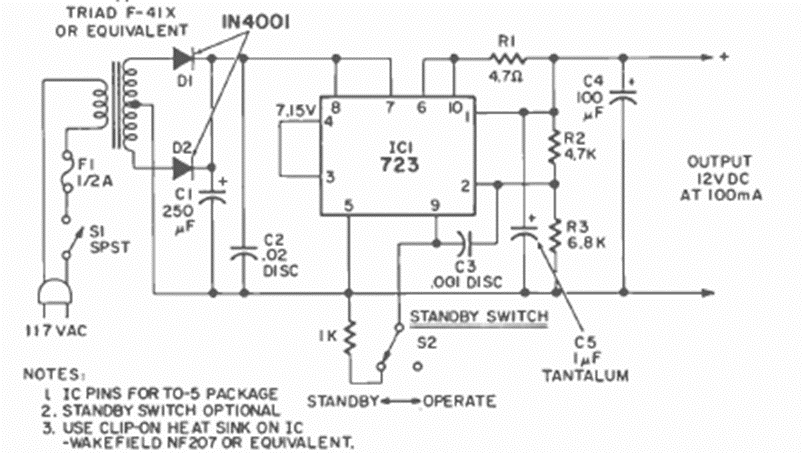
Usando el circuito integrado 723, esta fuente tiene la tensión determinada por R2 y R3, el cual se puede cambiar. El circuito es de una revista Radio Electronics de julio de 1971.
Este circuito genera una señal de pequeña potencia en el rango superior de la gama de VHF. La...
Ya hemos descrito en nuestro sitio y en nuestras publicaciones diversas versiones del juego del...
La acción rápida de conmutación del 4093 ayuda a obtener un circuito de interruptor nocturno que no se...