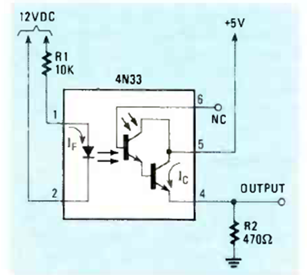
En la figura vemos cómo utilizar una señal de 12 V para activar un puerto TTL a través de un acoplador óptico. El circuito es de una Radio Electronics de mayo de 1985.

En la figura vemos cómo utilizar una señal de 12 V para activar un puerto TTL a través de un acoplador óptico. El circuito es de una Radio Electronics de mayo de 1985.
