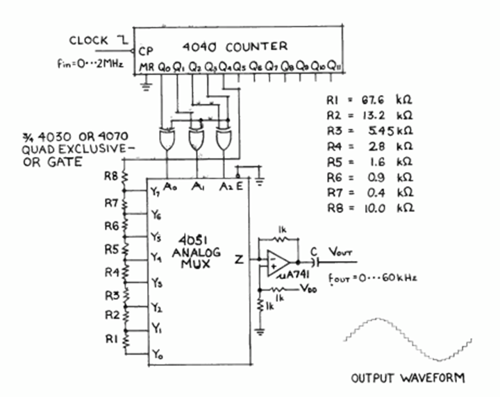
Encontramos este circuito generador de señales en la revista Radio Electronics de noviembre de 1978. El circuito emplea circuitos CMOS y tiene una frecuencia de entrada máxima de 2 MHz.
Los peces pueden ser atraídos por el zumbido que imita el debatir de un insecto en el agua. Este...
Los reguladores de tensión de 5 a 15 V para las corrientes de 1 A, se pueden obtener fácilmente en forma...
Utilizando como base un transistor PNP de germanio o silicio de cualquier tipo, aprovechado de...