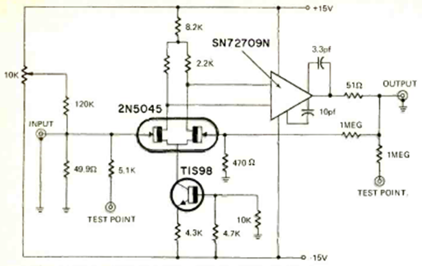
Este circuito fue sugerido por Texas Instruments en la revista Radio Electronics de enero de 1973. El transistor es un tipo que consta de un par pareado y el operativo es el conocido 709 con las siglas de Texas SN y 72 para indicar lineal.

Este circuito fue sugerido por Texas Instruments en la revista Radio Electronics de enero de 1973. El transistor es un tipo que consta de un par pareado y el operativo es el conocido 709 con las siglas de Texas SN y 72 para indicar lineal.
