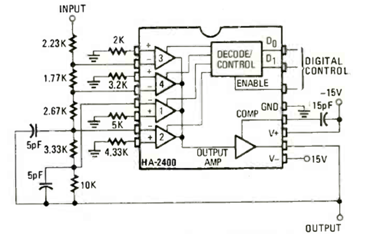
Este circuito con el HA2400 se encontró en la revista Radio Electronics de marzo de 1980. El circuito tiene un control de ganancia digital y debe ser alimentado por una fuente simétrica de 15 V.
Este circuito se obtuvo en una Popular Electronics de los años 90. En la tabla se muestran los valores...
Encontramos este circuito en una documentación de 1990. Él sortea uno entre 10 números y durante...
Este circuito se obtuvo en una documentación técnica europea de la década de 1980. El diodo zener...